Je to úprava, která se nemusí vyrábět, dá se i koupit za cenu kolem 500 Kč, takže pro koho, kdo nemá doma spoustu součástek se vyplatí si to koupit. Jako lineární motor pro otevírání dveří nám poslouží cívka ze startéru (kterákoliv), já použil z nějaké škodovky, dále je zapotřebí jedno relátko, 3 spínače, 12m kabelu 0.35mm, pojistky 2A,10A a trpělivost. Celé to pak funguje tak, že auto, když je zamčené tak kufr nelze zvenčí otevřít, když se odemkne u řidiče, tak kufr lze otevřít ze zadu stiskem tlačítka na spodní straně plastu pod SPZ. Nouzové tlačítko pro otevření kufru je na palubové desce a funguje i když je auto zamčené. Cívku upněte přes plechovou pásku k zadním dveřím, tak aby dalo táhlo od kliky na dveřích až k pohyblivé části cívky. Aby cívka v plechu pořádně držela, dal jsem mezi ní a plech kus brusného plátna. | ||||||||||||||||||||||||||
![]() | ||||||||||||||||||||||||||
Poté upevněte přes lanko nebo jiným způsobem táhlo k cívce: | ||||||||||||||||||||||||||
![]() | ||||||||||||||||||||||||||
Já upevnil táhlo lankem, ale po čase se mi to lanko začalo kroutit a jinak deformovat, tak jsem ho vyměnil za kus ohlého drátu o průměru 3mm. Moje cívka neměla moc velkou sílu a tak docela nespolehlivě tahala za táhlo, proto jsem jí musel zbavit pružiny na pohyblivé části (Na fotkách výše pružina na cívce ještě je). Dále jsem musel změkčit pružinu na klice kufru: | ||||||||||||||||||||||||||
![]() | ||||||||||||||||||||||||||
Pružinu jsem vyháknul a kleštěma zakroutil podle směru červené šipky a zpátky zaháknul. Pak už magnet měl sílu na tahání za táhlo. Než to ale bude 100% fungovat, je potřeba nastavit délku táhla a tím i zdvih cívky. Dalo mi to docela zabrat a myslím, že to bylo dokonce něco kolem 1 hodiny. Ale vy nemusíte, protože Vám prozradím jak na to. Doraz na pevné části auta posuňte co nejvíc dozadu (co nejvíc k Vám, pokud stojíte venku za autem), Pak si šroubovákem jakoby zamkněte zámek (kliku) a zatáhněte táhlo tak, kde je poslední bod než vystřelí zámek (jako když se odemkne), táhlo zaaretujte a drát, nebo lanko pod svorku na táhle stáhněte tak, aby táhlo bylo maximálně napnuté. Pak zkuste kufr zabouchnout a pokud bude držet, tak je to nastavené a pokud držet nebude, tak táhlu drobek povolte. Jo a rozděláte to tak, že tam vlezete zadem, přes sedačky a zatáhnete za táhlo rukou. Dál je potřeba vyrobit nějaký koncový spínač na detekci odemčených dveří. Já vyrobil takovýto držák se spínačem: | ||||||||||||||||||||||||||
![]() | ||||||||||||||||||||||||||
Ten jsem pak přinýtoval na vnitřní stranu (do dutiny) dveří u řidiče. Je potřeba, aby když je odemčeno, byl spínač sepnutý a když je zamčeno byl spínač rozepnutý, proto jsem vyvinul speciální a geniální „packu“ která nám bude ovládat na táhle k odemykacímu „čudlíku“ tento spínač: | ||||||||||||||||||||||||||
![]() | ||||||||||||||||||||||||||
Celé zapojené by to mělo vypadat asi takhle: | ||||||||||||||||||||||||||
![]() | ||||||||||||||||||||||||||
Byl to docela záhul, než jsem to nastavil tak, aby tlačítko bylo při odemčených dveřích opravdu sepnuté. Zabralo mi to určitě přes 3 hodiny, pokud mi věříte a pro ty co mi nevěří, tak mi to zabralo 5 hodin. Proto nikomu nedoporučuju využívat pro tento účel tlačítko, kterého jsem využil já, ale nějakého normálního koncového spínače, který já prostě nesehnal. Dalším prvkem, který je důležitý, pokud by nám z nějakého trapného důvodu přestalo fungovat nějaké z tlačítek ve dveřích, nebo na dveřích do kufru, je nouzové tlačítko na palubní desce v autě. Já ho u svého favorita umístil na toto místo, protože když je zavřeno, tak není vidět a nestraší tam nikde: | ||||||||||||||||||||||||||
![]() | ||||||||||||||||||||||||||
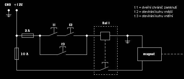
Blbě se ale zapojoval zevnitř. Klidně to tlačítko může být i u vnitřního osvětlení na stropě. Spínač na zadních dveřích si umístěte podle Vašeho gusta, já ho mám na vodorovné části plastové desky pod SPZ hned na 1. lemu, tak aby, když chytím dveře, abych je otevřel, tak rukou zmáčknu tlačítko a dveře se mi odemknou. A je tady elektrika, protože všechno ostatní už je hotové skoro. Začneme odzadu : Je potřeba od cívky odvést jeden drát (+) a pod spínače zadních dveří 2 dráty (signál „+“ a signál „+ sepnutý“) musíte tyto 3 kabely přerušit a vést přes kontakty dveří (jako to e u světel). Cívku je potřeba ještě uzemnit. Jeden drát skřípněte pod šroub na těle cívky a druhý konec drátu pod šroub na očištěném plechu dveří. Všechny kabely odzadu doveďte pod plasty, nebo kobercem až ke dveřím pro řidiče. Tam spojte s kabelem vedoucího od „koncového spínače ze dveří“ pod schématu atd. Je nutné dodržet vše, co je ve schématu nakresleno, protože jinak to nebude fungovat, tak jako mě. Pokud nepoužijete relátko, tak se rozlučte se všemi tlačítky, co jsou před cívkou. A pojistky před tímto dílem jsou rovněž nezbytností, aby při náhodném zkratu nevyhořela elektrika v půlce auta. Já umístil relé pod přístrojovou desku a + pól dovedl průchodkou na hadičkách pro ovládání výšky světel. Přímo z baterie. | ||||||||||||||||||||||||||
Schéma:![]() | ||||||||||||||||||||||||||
Tento odemykací způsob by šel namontovat na systém dálkového ovládání paralelně na tlačítko t3 Zkuste svoje štěstí a kdyby se nic nedělo, nebo Vám moje zkušenosti pomohly, tak buďte rádi! | ||||||||||||||||||||||||||
Seznam součástek:
Zdraví Vás Honza Pelikán :) Kontakt: Joe.p@atlas.cz Další možností je použít místo cívky servo motorek na centrální zamykání, návod je publikován na: www.axweb.estranky.cz ![]() |